

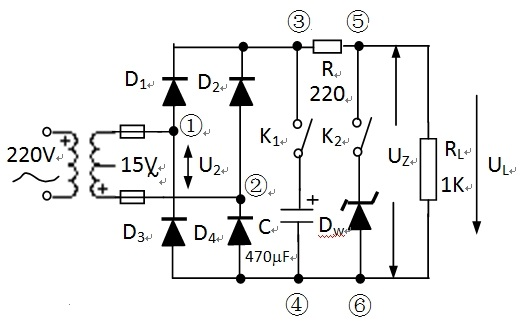
| 順序 | 項目 | 測試點 | 測量值(V) | 理論值(V) | 波 形 | 電路特點 |
| 1 |
連上 全部 元件 |
U12 |
![]() |
|||
| U34 | ||||||
| U56 | ||||||
| 2 |
斷開 Dw |
U12 | ||||
| U34 | ||||||
| U56 | ||||||
| 3 |
再斷 開C |
U12 | ||||
| U34 | ||||||
| U56 | ||||||
| 4 |
再斷 開D1 |
U12 | ||||
| U34 | ||||||
| U56 | ||||||
| 5 |
再接 入C |
U12 | ||||
| U34 | ||||||
| U56 | ||||||
| 6 |
再接入 D1與Dw 再斷開C |
U12 | ||||
| U34 | ||||||
| U56 |
品牌理念
標準流程
有效溝通
專業(yè)管理
優(yōu)秀團隊
品質保證
無憂售后
生產基地:上海松江葉榭工業(yè)園
業(yè)務電話:021-56311657 , 56411696 , 業(yè)務傳真:021-56411696 公司郵箱:shanghaimaoyu@126.com 教學設備廠 滬公網(wǎng)安備 31010702001294 號 滬ICP備13020377號-1 |