

率f,由公式


| REB1(W) | REB2(W) | RB1E(kW) | RB2E(kW) | 結論 |
| RAK(kW) | RKA(kW) | RAG(kW) | RGA(kW) | RGK(kW) | RKG(kW) | 結論 |
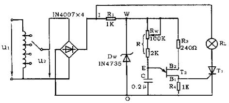
| u2 | u1 | uw | uE | uB | 移相范圍 |
| 暗 | 較亮 | 最亮 | |
| uL波形 | |||
| uT波形 | |||
| 導電角 | |||
| UL(V) | |||
| U2(V) |
進行比較,并分析產生誤差原因。
品牌理念
標準流程
有效溝通
專業(yè)管理
優(yōu)秀團隊
品質保證
無憂售后
生產基地:上海松江葉榭工業(yè)園
業(yè)務電話:021-56311657 , 56411696 , 業(yè)務傳真:021-56411696 公司郵箱:shanghaimaoyu@126.com 教學設備廠 滬公網安備 31010702001294 號 滬ICP備13020377號-1 |